以诚相待、互利互惠、共同发展
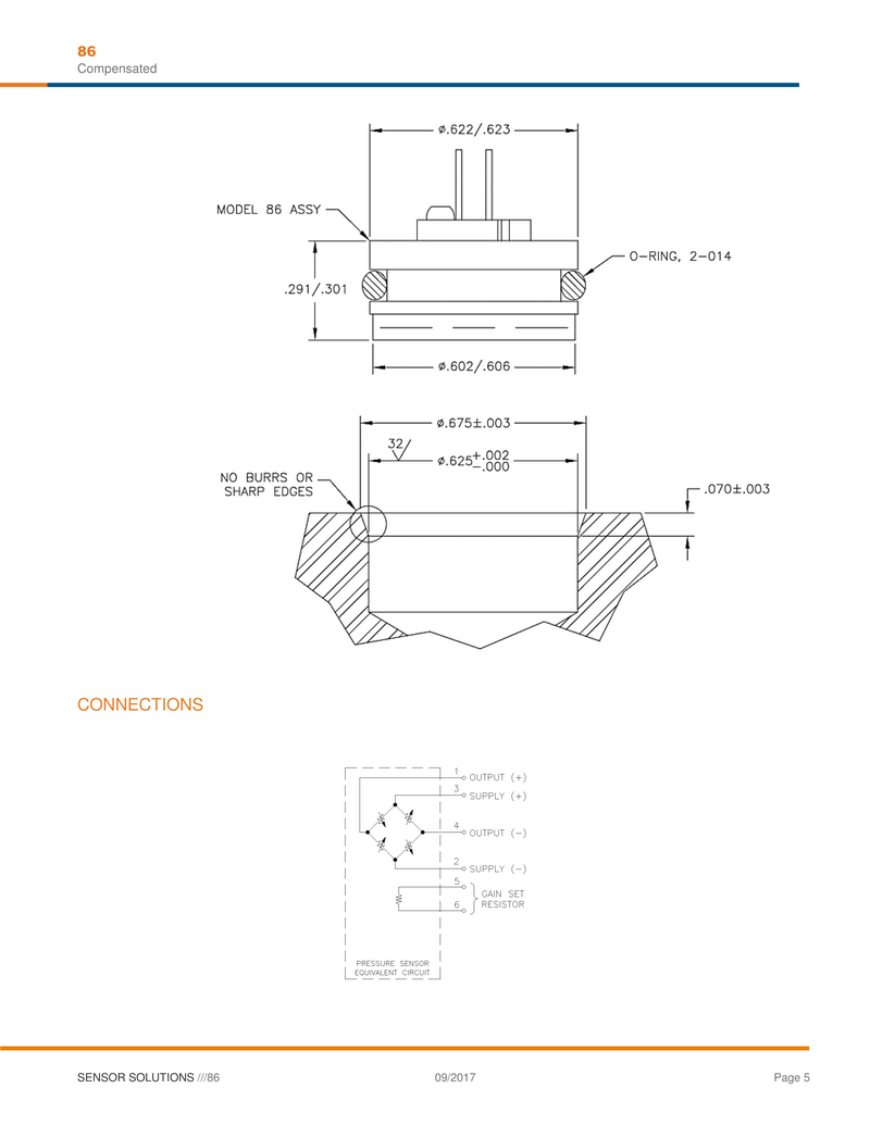
86 补偿型是一款外形小巧、与介质相容的压阻式硅压力传感器,采用 316L 不锈钢封装结构, O 型环安装,专为需要与腐蚀性介质兼容的原始设备供应商应用而设计。 传感器利用硅油将压力从 316L 不锈钢隔离膜传递到感应元件上。封装件上附有一个陶瓷基板,其中包含一个激光修正电阻以对传感器进行温度补偿和偏移校正。此外还包含另外一个激光修正电阻,可用于调整外部差分放大器及提供 ±1% 的互换量程范围。
特点
- 316L SS 压力传感器
- 小尺寸
- 0 - 100mV 输出
- 绝压和表压
- 温度补偿
- O 型环安装
- -40ºC 至 +125ºC 工作温度范围
- ±0.2% 压力非线性
- 1.0% 互换量程范围(需接增益调节电阻)
- 固态可靠性




